Analog Devices Inc. LTC7062 Dual High-Side MOSFET Gate Driver IC

Analog Devices LTC7062 Dual High-Side MOSFET Gate Driver drives two high-side N-Channel MOSFETs with supply voltages up to 100V. Both drivers can operate with a different ground reference, providing excellent noise and transient immunity. The two drivers are symmetric and independent of each other, allowing complementary or non-complementary switching.

Analog Devices LTC7062 with powerful 0.8Ω pull-down and 1.5Ω pull-up MOSFET drivers allow the use of large gate capacitance high voltage MOSFETs. Additional features include UVLO, TTL/CMOS compatible inputs, and fault indicator.

Features

  • Unique symmetric floating gate driver architecture
  • High noise immunity, tolerates ±10V ground difference
  • 100V maximum input voltage independent of IC supply voltage VCC
  • 5V to 14V VCC operating voltage
  • 4V to 14V gate driver voltage
  • 0.8Ω pull-down, 1.5Ω pull-up for fast turn-on/off
  • TTL/CMOS compatible input
  • VCC UVLO/OVLO and floating supplies UVLO
  • Drives dual N-Channel MOSFETs
  • Open-drain fault indicator (VCC UVLO/OVLO, gate driver UVLO and thermal shutdown)
  • Available in thermally enhanced 12-lead MSOP
  • AEC-Q100 automotive qualification in progress

Applications

  • Automotive and industrial power systems
  • Telecommunication power systems

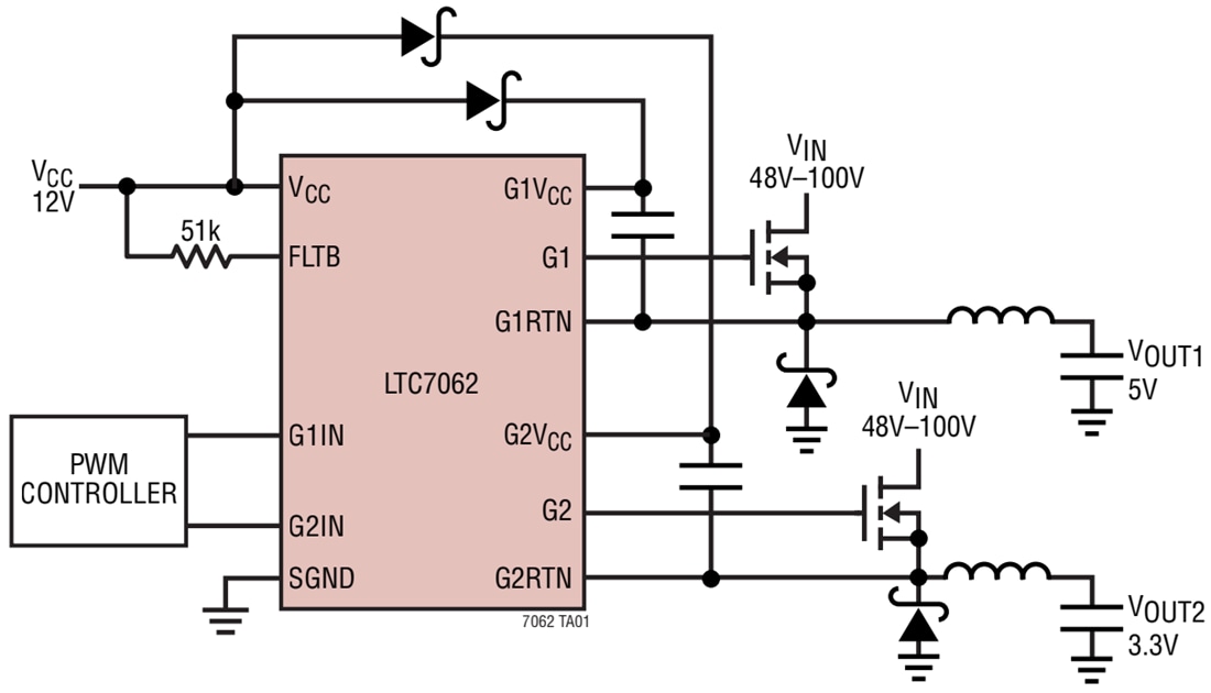
Typical Application

Application Circuit Diagram - Analog Devices Inc. LTC7062 Dual High-Side MOSFET Gate Driver IC
Published: 2021-03-23 | Updated: 2025-02-06