Analog Devices / Maxim Integrated MAX25222C Automotive 4-Ch TFT-LCD Power Supply

Analog Devices MAX25222C Automotive 4-Ch TFT-LCD Power Supply delivers symmetrical positive AVDD and negative NAVDD supplies as well as VGon and VGoff gate supplies. The MAX25222C integrates a VCOM buffer with output voltage range above and below ground and a temperature measurement block. This Analog Devices Power Supply contains non-volatile memory so that the values of all outputs can be calibrated for the device's lifetime (maximum five times). The built-in l2C interface on the MAX25222C allows programming and diagnostic data read back, and after programming, a stand-alone mode is available.

The MAX25222C includes extensive diagnostics to aid in fulfilling the ASIL B safety level. The temperature sensor interface block measures the temperature optionally, enabling the VCOM output voltage to be adjusted depending on the measured temperature. The MAX25222C is offered in a TQFN package and operates in the -40°C to +125°C temperature range.

Features

  • High integration
    • Synchronous boost provides AVDD of 4.2V to 10.5V at up to 200mA
    • NAVDD Inverter output at up to -200mA
    • 15mA VGON output (7.6V to 20.2V) from 3x regulated charge pump
    • VGOFF (-18.2V to -5.6V) from regulated charge pump at up to -15mA (charge-pump doubler)
    • Controlled sequencing during power-on and power-off of all rails
    • VCOM Output range +1V to -2.49V in 6.83mV steps
    • NTC Input for temperature measurement/ compensation
  • Low EMI
    • 420kHz/2.1MHz Switching frequency with spread spectrum
  • l2C Control/diagnostic interface with FLTB (Interrupt) output
    • UV Diagnostics on all outputs
    • OV Diagnostics on all outputs
    • Bandgap reference out of range
    • Stuck FLTB Pin
    • Communication parity check
    • VCOM DAC fault
  • Versatile
    • Non-volatile output voltage settings on AVDD/ NAVDD, VGON> VGOFF. VCOM, and sequencing
    • Supports stand-alone operation mode after programming
    • Compact 5mm x 5mm TQFN32 package
  • AEC-Q100 Grade 1

Applications

  • Infotainment displays
  • Central information displays
  • Instrument clusters

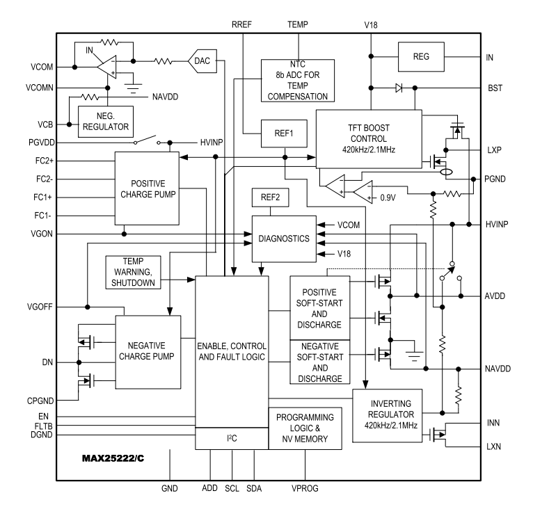
Block Diagram

Block Diagram - Analog Devices / Maxim Integrated MAX25222C Automotive 4-Ch TFT-LCD Power Supply
Published: 2021-11-05 | Updated: 2023-04-17