Diodes Incorporated DPC851 Isolated Photocouplers
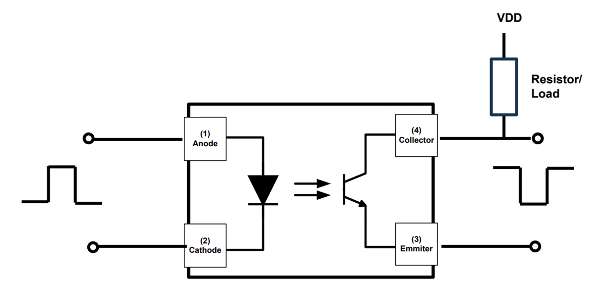
Diodes Incorporated DPC851 Isolated Photocouplers offer a 350V phototransistor, allowing usage in applications that demand high operating voltages on the isolated side. The DPC851 is ideal for use in BLDC or AC motor inverters for home appliances such as washing machines, air conditioners, air purifiers, refrigerators, and dehumidifiers.Diodes Incorporated DPC851 Isolated Photocouplers integrate two chips, an IR diode and a phototransistor with a high current transfer ratio (CTR), supplying a 5,000V isolation rating between the two dies.
The DPC851 is housed in four industry-standard package types: two through-hole (DIP and MDIP) and two surface mount (SL and SLM). The packages include the DIP-4, SLM-4, SL-4, and MDIP-4.
Features
- Current Transfer Ratio (CTR: min. 50% at IF = 5mA, VCE = 5V)
- High Input-Output Isolation Voltage (VISO = 5,000VRMS)
- High Collector-Emitter Voltage (BVCEO = 350V)
- Totally lead-free and fully RoHS compliant
- Safety approvals
- UL1577 (No.E536221)
- CQC 4943.1-2022 (No.CQC24001448436)
- VDE EN IEC 60747-5-5 (No.40059175)
Applications
- Switching power systems
- Server power systems
- HV programmable controllers
- Air conditioners
- LED lighting
- EV charger stations
Specifications
- DIP-4, MDIP-4, SL-4, SLM-4 packages
- Package material of molded plastic, “Green” mold compound, UL flammability classification 94V-0
- Moisture sensitivity level 1 per J-STD-020
- Finish - matte tin-plated leads, solderable per MIL-STD-202, Method 208 terminals
- Polarity indicator dots for PIN 1 identification
- 0.216 grams weight (approximate)
Additional Resources
Typical Application
Published: 2025-07-21
| Updated: 2025-08-04
