Infineon Technologies IRS2007 200-V Half-Bridge Drivers
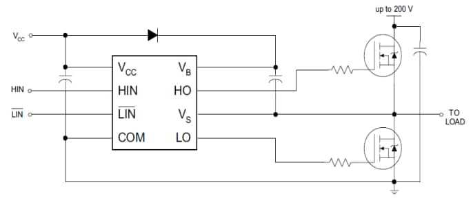
Infineon Technologies IRS2007 200-V Half-Bridge Drivers are high voltage, high-speed power MOSFET drivers with dependent high and low side referenced output channels. Proprietary HVIC and latch immune CMOS technologies enable ruggedized monolithic construction. The logic input is compatible with standard CMOS or LSTTL output, down to 3.3V logic. The output drivers feature a high pulse current buffer stage designed for minimum driver cross-conduction. The floating channel can be used to drive an N-channel power MOSFET or IGBT in the high side configuration, which operates up to 200V. Propagation delays are matched to simplify the HVIC’s use in high-frequency applications.Features
- IO+ / IO- of 290mA / 600mA typical gate current
- Gate drive voltage up to 20V per channel
- Independent under-voltage lockout for VCC, VBS
- 3.3V, 5.0V, 15.0V input logic compatible
- Tolerant to negative transient voltage
- Designed for use with bootstrap power supplies
- Cross-conduction prevention logic
- Matched propagation delay for both channels
- Internal set dead-time
- High-side output in phase with HIN input
- Low-side output out of phase with LIN input
- -40°C to 125°C operating range
- 2kV HBM ESD
- RoHS compliant
Applications
- Battery-operated power tools
- Battery-operated garden equipment
- Light electric vehicles (e-bikes, e-scooters, e-toys)
- Wireless Charging
- Other general battery-driven applications
Typical Connection Diagram
Published: 2018-10-16
| Updated: 2024-01-12
