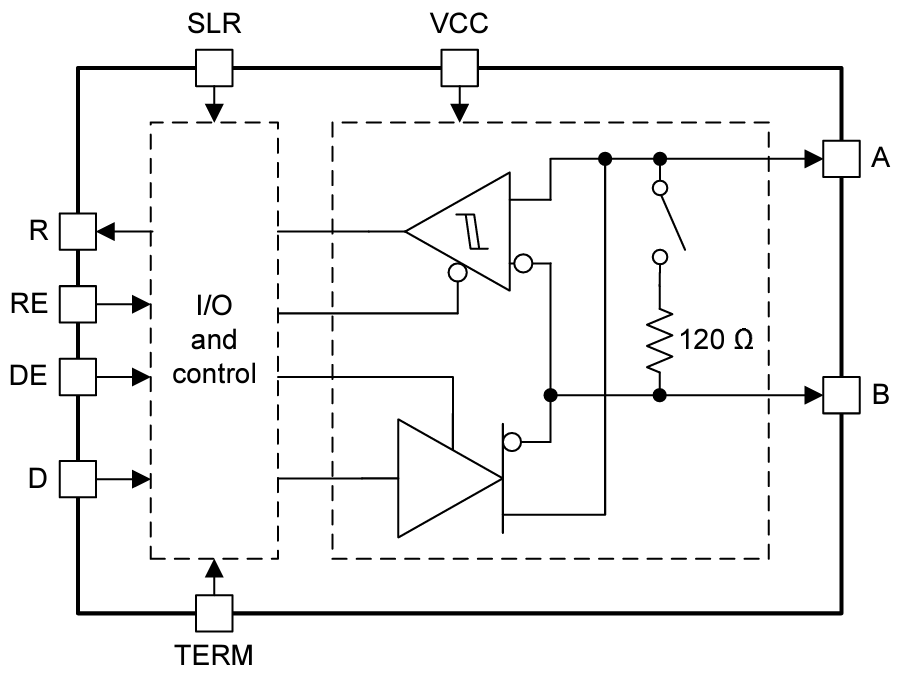
Texas Instruments THVD1454 Half-Duplex RS-485 Transceiver

Texas Instrument THVD1454 Half-Duplex RS-485 Transceiver is a flexible half-duplex RS-485 transceiver for industrial applications. The device has features like an on-chip, 120Ω termination resistor, and driver output slew rate control. Both the features are pin-controlled. This feature enables the device to be used at any node location (end nodes or middle nodes) in any network, slow or fast. End-equipment designers can now design a common printed circuit board (PCB) and configure the PCB using software for various application needs. This feature can save design and qualification time for the customers.

The bus pins are immune to high levels of IEC Contact Discharge ESD events. This feature eliminates the need for additional system-level protection components. The device operates from a single 3V to 5.5V supply. The low input leakage on bus pins and wide common-mode voltage range makes the device suitable for multi-point applications over long cable runs. The Texas Instruments THVD1454 is available in a space-saving, thermally efficient 10-VSON package (3mm x 3mm). The device is characterized for an ambient temperature from -40°C to 125°C.

Features

  • Meets or exceeds the requirements of the TIA/EIA-485A standard
  • 3V to 5.5V supply voltage
  • Differential output exceeds 2.1V for PROFIBUS compatibility with a 5V supply
  • Half-duplex RS-422/RS-485
  • Pin-controlled on-chip 120Ω termination resistor between the bus pins
  • Maximum Data rate configurable
    • SLR = High: 500kbps
    • SLR = Low or floating: 20Mbps
  • Bus I/O protection
    • ±16kV HBM ESD
    • ±8kV IEC 61000-4-2 Contact discharge
    • ±15kV IEC 61000-4-2 Air gap discharge
    • ±4kV IEC 61000-4-4 Fast transient burst
    • ±16V bus fault protection (absolute max voltage on bus pins)
  • Extended industrial temperature range of -40°C to 125°C
  • Low power consumption
    • Shutdown supply current <5µA
    • Quiescent current during operation <3mA
  • Glitch-free power-up/power-down for hot plug-in capability
  • Open, short, and idle bus failsafe
  • 1/8 Unit load (Up to 256 bus nodes)
  • Small, space-saving, thermally efficient 10-pin VSON package (3mm x 3mm)

Applications

  • Factory automation and control
  • Building automation
  • Motor drives
  • Power delivery
  • Industrial transport
  • HVAC systems
  • Smart meters

Simplified Application

Application Circuit Diagram - Texas Instruments THVD1454 Half-Duplex RS-485 Transceiver
Published: 2024-01-19 | Updated: 2024-02-15